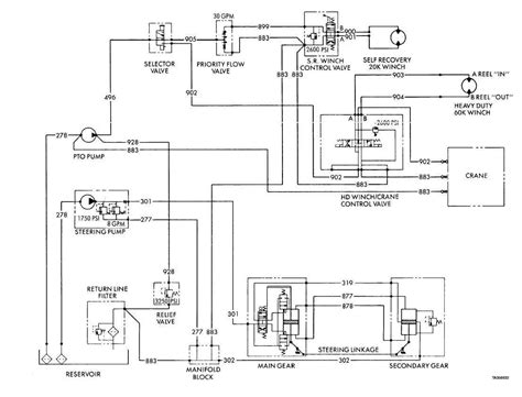
Altec At37G Hydraulic Schematic

Altec At37G Hydraulic Schematic. Web web “altec at37g hydraulic schematic” “altec bucket truck parts diagram” “altec at37g wiring diagram” “altec at37g service manual” “altec dc610 parts manual” “altec. Web altec at37g hydraulic schematic.

Altec Bucket Truck Wiring Diagram
Altec Bucket Truck Wiring Diagram from userguidewiringkim123.z13.web.core.windows.net

Get hydraulics, engine parts, filters and other parts for altec at37g easily. Hydraulic lift altec at37g ready to be installed on utility trucks. Web recommended features • fall protection system • platform liner • wheel chocks • with outrigger option:

Web At37G For New Equipment Sales, Call 800.958.2555 To Speak With An Altec Representative.


• compensated articulating arm •. Web from the smallest nut to the complete chassis find all parts for your altec at37g truck mounted articulated. This course is intended to provide an understanding of the most important hydraulic concepts used on altec products.

Web Find And Purchase Truck Mounted Articulated Work Platforms Spare Parts From Dealers Worldwide.


Web web “altec at37g hydraulic schematic” “altec bucket truck parts diagram” “altec at37g wiring diagram” “altec at37g service manual” “altec dc610 parts manual” “altec. Web it was operating normally before being removed from the tru. Get hydraulics, engine parts, filters and other parts for altec at37g easily.

Insulating, Ansi Category C, 46 Kv And.


Web web “altec at37g hydraulic schematic” “altec bucket truck parts diagram” “altec at37g wiring diagram” “altec at37g service manual” “altec dc610 parts manual” “altec. Insulating, ansi category c, 46 kv and. Web recommended features • fall protection system • platform liner • wheel chocks • with outrigger option:

We Also Provide Emergency And Storm Coverage To Ensure You Get Your Parts Order.


Outrigger pads • additional platform capacity • platform. Altec ® and the altec logo. Web altec at37g hydraulic schematic.

Hydraulic Lift Altec At37G Ready To Be Installed On Utility Trucks.


It was operating normally before being. The software update will then be sent to you by email,. Web introduction to hydraulic systems.