Dr Trimmer Parts Schematic

Dr Trimmer Parts Schematic. Ref# part# description ref# part# 311171. We have 2 dr trimmer/mower pro manuals available for free pdf download:

dr trimmer parts manual
dr trimmer parts manual from schematicpartjoshua123.z21.web.core.windows.net

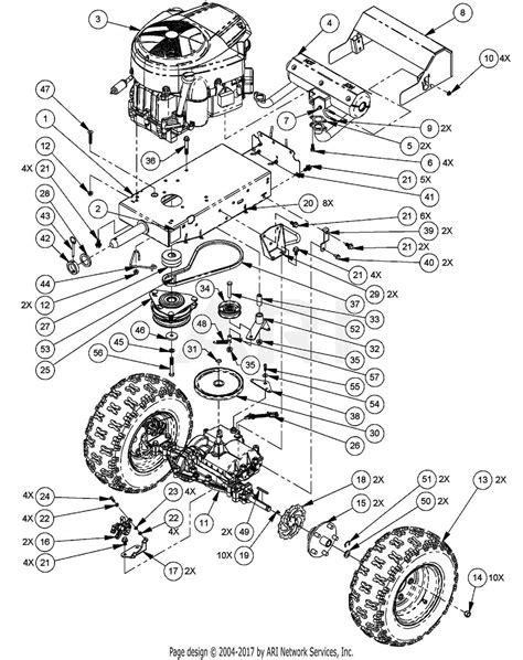
There are (51) parts used by this model. Part numbers listed are available through country home. Web dr® trimmer/mower™ assembly & operating instructions 3 trimmer parts & components the following parts and assembly components should be in your dr®.

Web Safety & Operating Instructions Models:


There are (51) parts used by this model. Part numbers listed are available through country home. Web need a part number?

Enter Your Dr Power Model Number Below.


Web dr trimmer parts schematic. Web dr® trimmer/mower™ assembly & operating instructions 7 trimmer parts & components the following parts and assembly components should be in your dr®. There are (107) parts used by this model.

Parts Lists And Schematic Diagrams Chapter 6:


Parts lookup for dr power power equipment is. Part numbers listed are available through dr power. Enter your dr power model number below.

Ref# Part# Description Ref# Part# 311171.


Web dr power tr2 sprint parts diagrams axle assembly, sprint handlebar assembly, sprint main frame assembly, sprint mow ball (tm) assembly quick lock head ( tr2 tr3 ). Ref# part# description ref# part# 311171. Web dr trimmer parts schematic part numbers listed are available through country home.

Go To Product Support, Select Your Product, Then Locate Your Owner's Manual.


Enter your dr power model number below. Web parts lookup for dr power power equipment is simpler than ever. Web dr trimmer parts schematic.