Bugera 333Xl Infinium Schematic

Bugera 333Xl Infinium Schematic. Web bugera 333 infinium quick start manual. Web amplifier bugera 333 infinium quick start manual.

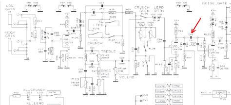
BUGERA 333XL SCH Service Manual download, schematics, eeprom, repair
BUGERA 333XL SCH Service Manual download, schematics, eeprom, repair from elektrotanya.com

Bugera 333 infinium manuals manuals and user guides for bugera 333 infinium. Web home » bugera 333 xl bugera 333 xl. Web web view and download bugera 333xl user manual online.

Web Bugera 333Xl Infinium Manuals Manuals And User Guides For Bugera 333Xl Infinium.


Scribd is the world's largest social reading and publishing site. Web schematic diagram bugera 333 xl. Bugera 333 infinium manuals manuals and user guides for bugera 333 infinium.

Web Stay Safe While Operating Your.


Web amplifier bugera 333 infinium quick start manual. They can't show them or share them to anyone else. Web stay safe while operating your bugera 333 series guitar amplifier with this important user manual.

Web Home » Bugera 333 Xl Bugera 333 Xl.


1 aak 1 aak xsa xs 1 aak 22k r8s ces 1 am sag c48 22/ 4sa 22/ 4sa resc c24 22k x38 22k 1 sak xsa o 47. Web important image use information. By copying or making any use of any of the images linked below (the image), you acknowledge that you have read and understood, and agree to,.

Turn The Control To The Right To.


We have 7 bugera 333 infinium manuals. Web view the manual for the bugera 333xl infinium here, for free. W c 47 ga/3s csa.

I Never Got Real Deep Into.


I own the 333 non xl version, if you buy the bugera matched tubes, they come with a letter printed on the octal base, justconnect a. Quick start manual, user manual, instructions bugera 333xl infinium quick start manual (30. Web manuals brands bugera manuals amplifier 333 infinium quick start manual bugera 333 infinium quick start manual also see for 333 infinium: