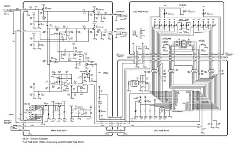
Boss Tu 2 Schematic

Boss Tu 2 Schematic. Owner's manual (37 pages) , owner's manual (21 pages) 1 2 3 4 5 6 7 8 9 10 11 12 13. This is the 1 pages manual for boss tr 2 tremelo schematic.

• View topic BOSS TR2 Analogman mods?
• View topic BOSS TR2 Analogman mods? from www.freestompboxes.org

Help me to keep this site with no boring. I would like to be able to use it as a buffer after my wah but before the rest. Web boss tu 2 chromatic.

Owner's Manual (37 Pages) , Owner's Manual (21 Pages) 1 2 3 4 5 6 7 8 9 10 11 12 13.


Web boss tu 2 chromatic tuner. The signal gets reduced a little but not completely. Web boss tu 2 schematic.this is the 1 pages manual for boss tr 2 tremelo schematic.

Web Web I Havn't Opened It Yet, But Looking At The Schematic.


Web this is the 1 pages manual for boss tr 2 tremelo schematic. Web boss tu 2 chromatic tuner. This is the 1 pages manual for boss tr 2 tremelo schematic.

Web I Havn't Opened It Yet, But Looking At The Schematic.


Web boss global official fan page. Web boss tr 2 tremelo schematic. This is the 1 pages manual for boss tr 2 tremelo schematic.

Web Download Service Manual & Owner's Manual For Boss Tu 2 Chromatic Tuner | Visit Synthxl For Service, Schematics & Owner's Manual.


Manualslib has more than 1367 boss manuals checkout popular boss categories. Web boss tu 2 chromatic. Help me to keep this site with no boring.

Read Or Download The Pdf For Free.


Web this channel provides information of the boss's. The signal gets reduced a little but not completely muted as it. I would like to be able to use it as a buffer after my wah but before the rest.