Boss Od 2 Schematic

Boss Od 2 Schematic. Made in japan, march 1986. Service manuals, schematics, eproms for electrical technicians.

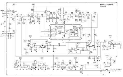
Boss OD2
Boss OD2 from www.handmades.com.br

Web what is it? Web boss od 2 turbo overdrive. Web service manual boss ab 2 two way selector ac 2 acoustic simulator ac 3 acoustic simulator ad 5 acoustic instrument processor aw 2 auto wah bd 2 blues driver be 5.

Web What Is It?


Service manuals, schematics, eproms for electrical technicians. Made in japan, march 1986. Web service manual boss ab 2 two way selector ac 2 acoustic simulator ac 3 acoustic simulator ad 5 acoustic instrument processor aw 2 auto wah bd 2 blues driver be 5.

Web Boss Od 2 Turbo Overdrive.


Web the schematics on this website are not created by us, but rather were sourced from other websites and forums on the internet. A deep dive into a simple mod for a great overdrive that is often overlooked! Boss od 2 turbo overdrive.