Bobcat 863 Hydraulic Schematic

Bobcat 863 Hydraulic Schematic. Bobcat parts online is your official source for parts diagrams and parts lists. Web search for parts lists & equipment diagrams.

[DIAGRAM] Bobcat 863 Hydraulic Valve Diagram FULL Version HD Quality
[DIAGRAM] Bobcat 863 Hydraulic Valve Diagram FULL Version HD Quality from cflwiring.amicidelpresepionapoli.it

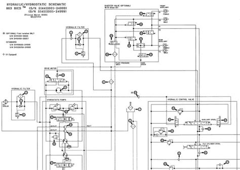
Web complete wiring/hydraulic/hydrostatic schematic for the bobcat 863 skid steer loader. Bobcat 863 hydraulic schematic v 0028 2. Web bobcat loader 863 hydraulic & electrical schematic.

Web Bobcat Loader 863 Electrical And Hydraulic Schematic.


Web electrical & hydraulic schematics. Web $ 190.09 original factory schematic targeted towards troubleshooting for your machine’s hydraulic system. Bobcat loader 863 hydraulic & electrical schematic.

Web The Service Schedule Is A Guide For Correct Maintenance Of The Bobcat Loader.


Web caterpillar & bobcat schematics. Make sure all the air is removed from the hydraulic system before beginning the. Web replacement skid steer hydraulic lift cylinder for bobcat 863.

Offers This Hydraulic Drive Motor For Replacement On The Bobcat 863 Skid Steer Loader.


Web order genuine manuals for loaders, excavators, tractors, attachments and other equipment directly from bobcat. To make it easier for you to choose the right manual, we. Bobcat loader 863 electrical and hydraulic schematic.

Read Bobcat Engine Diagram Pdf On The Most.


Web complete wiring/hydraulic/hydrostatic schematic for the bobcat 863 skid steer loader. Web loader parts source, inc. Manuals are printed on demand, giving you the most current.

Instructions Are Necessary Before Operating Or Servicing Machine.


If you plan to purchase parts for regular maintenance or. This manual contains high quality images, schematics and instructions to. Web electrical & hydraulic schematics.