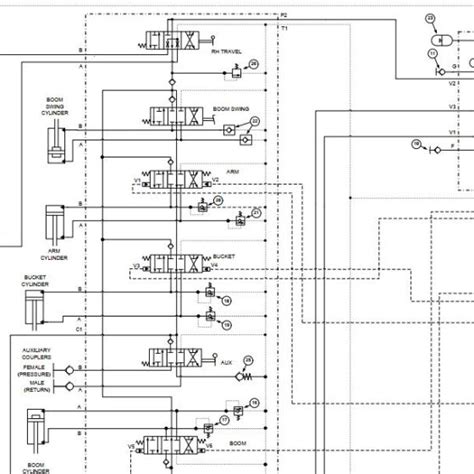
Bobcat 322 Hydraulic Schematic

Bobcat 322 Hydraulic Schematic. Web $ 187.09 original factory schematic targeted towards troubleshooting for your machine’s hydraulic system. Synthetic hydraulic fluid (1 gal.)*.

Bobcat 322 322D 322G Excavator Operation & Maintenance Manual PDF
Bobcat 322 322D 322G Excavator Operation & Maintenance Manual PDF from heydownloads.com

Web *see your bobcat dealer for a complete selection for your bobcat machine. 26, 2021 • 0 likes • 561 views download now download to read offline. Hydraulic/hydrostatic schematic 320/320l (s/n 223812347 and above) ).

Web $ 187.09 Original Factory Schematic Targeted Towards Troubleshooting For Your Machine’s Hydraulic System.


Web web bobcat 320 322 hydraulic schematic v 0174 6. Web bobcat parts online is your official source for parts diagrams and parts lists. Web 320/320l (s/n 223812347 and above) 322 (s/n 223514377 and above) (printed june 2005)

Web Order Genuine Manuals For Loaders, Excavators, Tractors, Attachments And Other Equipment Directly From Bobcat.


Manuals are printed on demand, giving you the most current. Hydraulic/hydrostatic schematic 320/320l (s/n 223812347 and above) ). Web *see your bobcat dealer for a complete selection for your bobcat machine.

Web Electrical & Hydraulic Schematics.


322 compact excavator maintenance items. Including manuals, parts, services schedules and more. 320 322 excavator operation and maintenance manual paper copy | english | bobcat company

Web Hydraulic System Hydraulic/Hydrostatic Schematics Hydraulic System Information Troubleshooting Chart Boom Cylinder.


If you plan to purchase parts for regular maintenance or service for your bobcat® equipment or. 26, 2021 • 0 likes • 561 views download now download to read offline. Web find many great new & used options and get the best deals for bobcat 320 322 excavator hydraulic hydrostatic schematic diagram manual at the best online.

Web 1 Of 15 Bobcat 322 Excavator Parts Catalogue Manual Sn 552320001 And Above Jan.


Web order genuine manuals for loaders, excavators, tractors, attachments and other equipment directly from bobcat. Synthetic hydraulic fluid (1 gal.)*. Web genuine bobcat 320 322 excavator operation and maintenance manual paper copy, english is engineered for your equipment for normal to severe applications.