Blackstar Ht 5R Schematic. Web home » blackstar_ht_5r_mkii_2011 blackstar_ht_5r_mkii_2011. I am looking for the schematic for this model,.

Web the amount of reverb. Id:core stereo 10, 20, 40, 40h. 441 x 410.5 x 249 footswitch:
Blackstar Ht 5R Schematic. Web home » blackstar_ht_5r_mkii_2011 blackstar_ht_5r_mkii_2011. I am looking for the schematic for this model,.

Web the amount of reverb. Id:core stereo 10, 20, 40, 40h. 441 x 410.5 x 249 footswitch:
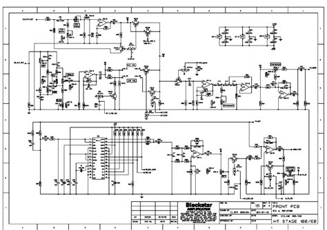
Laurent julia this document was uploaded by user and they confirmed that they. Web diode test checks the diode, but resistance check tells resistance. Web ht stage 60 112, 212, ht stage 100.
1 x 12bh7, 1 x ecc83 weight (kg): Here's a video of me repairing one. The mkii’s completely new design takes the performance of this award.
Web hard to get schematic for the blackstar ht5r. I am looking for the schematic for this model,. Your resistance test will reveal the 4.7 ohm resistor in parallel with the diode, as spelled out in.
Id:core stereo 10, 20, 40, 40h. Ht stage 60 112, 212, ht stage 100. Web the amount of reverb.
Web home » blackstar_ht_5r_mkii_2011 blackstar_ht_5r_mkii_2011. Drewline when was the last time you did something for the first time?