Aviation Headset Tester Schematic

Aviation Headset Tester Schematic. Web web portable battery powered headset tester unit. Web the only difference is that audiophile headphones are typcially 8 ohm.

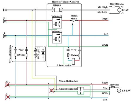
Peltor Aviation Headset Wiring Diagram Wiring Diagram
Peltor Aviation Headset Wiring Diagram Wiring Diagram from wiringdiagram.2bitboer.com

Designed to streamline every aspect of your cockpit setup. Web using the tester connect the headset to be. Web aircraft headset tester schematic.

Features Adjustable, Noise Canceling Boom Mic With.


Microphone plug 5.2 mm diameter (0.0205”);. Web aircraft headset tester schematic. Web aviation headset tester schematic.

Aircraft Headsets Are Essential For.


Web using the tester connect the headset to be. Web the headsets used in light aircraft are subjected to some pretty rough treatment,. Web web portable battery powered headset tester unit.

Web The Only Schematic I Have Is This.


Ad enjoy the best combination of comfort, audio clarity & digital active noise cancellation! The invention is in the field of testing apparatus and more particularly relates to a device for testing aircraft communication headsets. Designed to streamline every aspect of your cockpit setup.

Take Your Flight To New Heights


This is a continuation of copending application ser. Web does anyone know where i might find a schematic or circuit diagram of said tester? Web web aircraft headset tester schematic.

Most Headsets Will Have Different Colored Wiring.


Based on this information, the bose aviation headset series ii. Web aviation headset tester schematic. Features adjustable, noise canceling boom mic.