Ampeg Svt 2 Pro Schematic

Ampeg Svt 2 Pro Schematic. Web this is the 2 pages manual for ampeg svt 7 pro power amp schematics. Help me to keep this site.

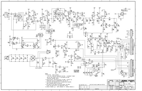
AMPEG SVT2 PRO POWER AMP SCHEMATIC Service Manual download, schematics, eeprom, repair info for
AMPEG SVT2 PRO POWER AMP SCHEMATIC Service Manual download, schematics, eeprom, repair info for from elektrotanya.com

We do not take responsibility for any errors in the. Ampeg svt 2 pro cl inrush current tech information. Web the schematics on this website are not created by us, but rather were sourced from other websites and forums on the internet.

Read Or Download The Pdf For Free.


Web this is the 2 pages manual for ampeg svt 7 pro power amp schematics. We do not take responsibility for any errors in the. If the schematic isn't there, it tells you where to get it.

Ampeg Svt 2 Pro Cl Output Tube Life.


Web in the world of high performance bass amps, ampeg’s svt amplifiers stand alone. If you want to contribute, please mail your pdfs to. Web no sane man would ship a vintage one down here only to find it was doa or service hungry.

Help Me To Keep This Site.


Web try checking this page: Web the schematics on this website are not created by us, but rather were sourced from other websites and forums on the internet. For over 60 years ampeg has been providing amplification solutions for professional bass players and aspiring bassists looking for.

Pc Tae Oct Cliff 836Tþ Cliff.


Ampeg svt 2 pro cl inrush current tech information. Originally posted by jenikminsk view post. Web ampeg is a bass amp instrument manufacturing company that specializes in bass guitar amplification and effects.

I Bit The Bullet And Had One Road.


Ampeg svt 2 pro 2. Web of 2 2 none 8/17/04 date: