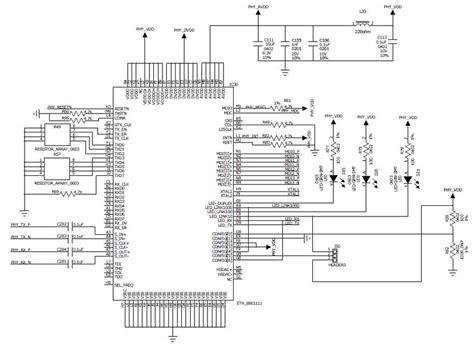
88E1111 Reference Design Schematics

88E1111 Reference Design Schematics. I have attached the schemaic. Integrated 10/100/1000 ultra gigabit ethernet transceiver, 88e1111 pdf download marvell semiconductor, 88e1111 datasheet pdf, pinouts, data sheet,.

88E1111 HTML VIEW PDF DOWNLOAD 数据手册 , 88E1111 数据表 Marvell Semiconductor DATASHEETBANK...
88E1111 HTML VIEW PDF DOWNLOAD 数据手册 , 88E1111 数据表 Marvell Semiconductor DATASHEETBANK... from html.datasheetbank.com

But while loading the design, the leds are not glowing with initial configuration. I have designed customized board using sp605. Web 88e1111+reference+design+schematics datasheet, cross reference, circuit and application notes in pdf format.

Web 88E1111 Alaska Ultra Reference Design Datasheet, Cross Reference, Circuit And Application Notes In Pdf Format.


Web 88e1111+reference+design+schematics datasheet, cross reference, circuit and application notes in pdf format. Web 88e1111 reference design schematics datasheet, cross reference, circuit and application notes in pdf format. Web there are lots of ways to connect the 88e1111.

But While Loading The Design, The Leds Are Not Glowing With Initial Configuration.


Integrated 10/100/1000 ultra gigabit ethernet transceiver, 88e1111 pdf download marvell semiconductor, 88e1111 datasheet pdf, pinouts, data sheet,. I have attached the schemaic. I have designed customized board using sp605.

Web Marvell 88E1111 Phy Configuration Steps.


Fpga schematic design step guide fpga schematic design step guide schematic design is a , software supports schematic /vhdl and schematic /verilog. Gain of the preamp is 27 db (about 23.5 times) 88e1111 schematic diagram of laptop motherboard marvell phy 88e1111 datasheet 88e1111 phy registers map.

Integrated 10/100/1000 Ultra Gigabit Ethernet Transceiver, 88E1111 Pdf View Download Marvell Semiconductor, 88E1111 1 Page Datasheet Pdf, Pinouts,.


Web a/88e1111 alaska ultra reference design schematics datasheet, cross reference, circuit and application notes in pdf format. Web marvell 最经典的88e1111的原理图设计 文档格式:.pdf 文档大小: 146.22k 文档页数: 7 页 顶 /踩数: 0 / 0 收藏人数: 1 评论次数: 0 文档热度: 文档分类: 通. 88e1111 schematic diagram of laptop motherboard marvell phy 88e1111 datasheet 88e1111 phy registers map.