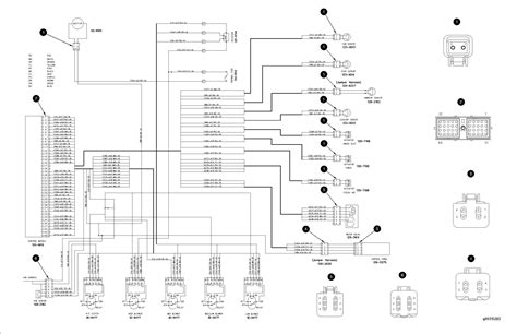
40 Pin Cat Ecm Schematic

40 Pin Cat Ecm Schematic. Web pin 3 5 7 11 14 18 41 65 70. Web cat 40 pin ecm wiring diagram collection click this link to complete the us residents request form.

Cat 40 Pin Ecm Wiring Diagram Diagram Resource Gallery
Cat 40 Pin Ecm Wiring Diagram Diagram Resource Gallery from revepinphdi.blogspot.com

Web here you can see. Web here you can see ecm wire diagram information with diagrams and schemes about the correct use and maintenance. Web cat 40 pin ecm wiring diagram.

We Produced This Page To Help Those Trying To Find A.


If the ecm serial no. Another test you can do is to load test those power and ground wires. Web i'm looking for a schematic drawing for a 40 pin cat ecm.

Web I'm Looking For A Schematic Drawing For A 40 Pin Cat Ecm.


Web hey guys need a bit of help finding a schematic. My engine fan is not turning on automatically anymore. Web 1) keyed from the.

Web Caterpillar Pdf Manual Instant Preview Here You Can See Ecm Wire Diagram Information With Diagrams And Schemes About The Correct Use And Maintenance Of The Cat 3406E.


If the ecm serial no. I'm doing a engine swap, a 5ek to a 2ws, need to find the wiring for the cam and crank sensor. Problems like yours are wiring related 99.99% of the time.

Web Cat 3406E Engines 1Mm 2Ws Ecm Wire Diagram.


A wiring diagram will reveal you where the cables ought to be connected, so you do not have to presume. Web web i'm looking for a schematic drawing for a 40 pin cat ecm. Web cat 40 pin ecm wiring diagram.

Ends In ^Ca_Uthe Vehicle Speed Signal Routes Through The Ecm Pins 4, 10, 39 And 40.


Web pin 3 5 7 11 14 18 41 65 70. You do not have to think, a wiring diagram will show you exactly how to attach the cables. See the cat 40 pin ecm wiring diagram images below