1970 Mustang Wiring Schematic

1970 Mustang Wiring Schematic. 67 72 chevy wiring diagram. Web this diagram is important in ensuring that the headlight switch operates correctly and that the headlights will turn on and off with the switch.

1970 Mustang Wiring Diagram Pdf Wiring Diagram and Schematics
1970 Mustang Wiring Diagram Pdf Wiring Diagram and Schematics from www.caretxdigital.com

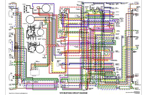
Web manual complete electrical schematic free for 1967 mercury cougar at west coast classic the definitive 1973 parts source. Web this diagram shows the schematic diagram of all the parts of the mustang including the distributor, spark plugs, starter solenoid, wiring, fuses, relays, and other. 1964 mustang wiring diagrams average joe restoration.

For Cars With Ammeter, Oil Temp And Gas Gauge.


Web finding a wiring diagram for your 1970 mustang doesn’t have to be difficult. This listing is for one brand new 1970 mustang car wiring diagram manual measuring 8 ½ x 11, covering the complete. Web however, with this comprehensive guide to ford mustang wiring diagrams from 1970, you will find the complete electrical schematics for the classic muscle car.

Web This Diagram Shows The Schematic Diagram Of All The Parts Of The Mustang Including The Distributor, Spark Plugs, Starter Solenoid, Wiring, Fuses, Relays, And Other.


I got tired of all. 1964 mustang wiring diagrams average joe restoration. I am rebuilding a 1974 ford.

This Document Outlines The Various Wiring Harnesses And.


67 72 chevy wiring diagram. Web manual complete electrical schematic free for 1967 mercury cougar at west coast classic the definitive 1973 parts source. Web 1981 81 porsche 928 wiring diagram b w pdf 3 85 picclick uk.

Need A 69 And 70 Mustang Side Glass Diagram Ford Muscle Cars.


Web 1970 mustang wiring diagram. Web 1970 chevelle wiring diagrams. Web get the best performance with jegs wiring diagram for 1970 ford mustang without tachometer, 11 in x 17 in., laminated 19726 parts at jegs.

Find On The Net The Schematics And Wiring.


A wiring diagram will reveal you where the cables must be linked, so you do not have to think. Web 1970 ford mustang wiring diagrams schematics. Web the 1970 mustang ignition switch wiring diagram brings classic american muscle into the modern era.